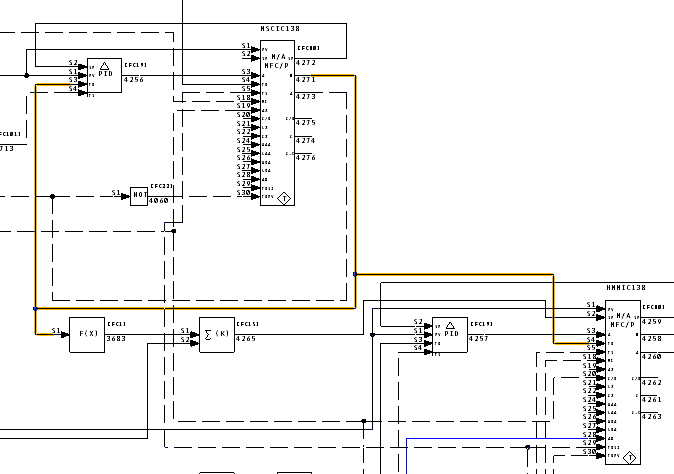
When you mouse over a signal line on a CAD or CLD diagram, the line is highlighted in yellow. This feature can help with parsing the connections on a CAD sheet visually.
In the example below, the actual mouseover is on a line connected to an Input Reference, but that same block is also connected to an Output Reference on the same sheet, and its use there is also highlighted.
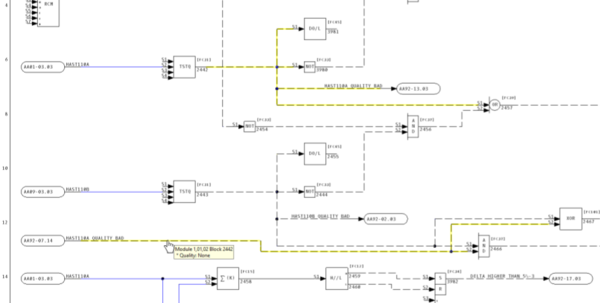
The tooltip shown when you mouse over a signal line shows the relevant block number, as well as information about whether a block has quality, and if so, of what types.
If you click on a line while it is highlighted yellow, the highlight will "stick" and turn orange. You can clear the sticky highlight by
DBDOC ©1996 - 2026 G. Michaels Consulting Ltd., all rights reserved. All other trademarks and registered trademarks are the property of their respective holders. Website source largely available under the terms of the AGPLv3.