Displaying live data directly on documents

Displaying live data directly on documents

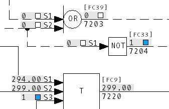
With Hyperview you can display live block data directly on graphics, CAD/CLD diagrams, and even AutoCAD diagrams. On CAD/CLD diagrams, live data is conveniently shown at both the inputs and outputs of blocks.

Hv-live-data-cad.png

Only the data for values actually displayed on screen is fetched. Visible data can be fetched in a Continuous Mode, where it is automatically refetched at regular intervals, or in Slow Mode, where it is only refetched every 10 seconds. In either mode, data is refetched if you scroll or zoom. Continuous mode terminates when you change documents, but slow mode remains active.

Live data is fetched from the connections specified in the Live Loop Setup tab of the Options dialog.

The colors used to display digital values can be changed in the Colors tab of the Options dialog.

See also