REDAI select input wired but ignored [CHECK 079]

REDAI select input wired but ignored [CHECK 079]

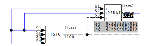
REDAI Module 1,01,02 Block 1000 has select input S3 wired from Module 1,01,02 Block 1001 but ignored

This means that the only effect of the block might be to switch an unconnect (0) value into the output.

A REDAI: Redundant Analog Input [FC96] block switches between S1 and S2 values based on the value of the S3 input. When S1 and S2 come from the same block, however, this block has no effect. As this block is doing nothing, it could be made spare.

Error 79.png

This message shows a potential error in the system configuration, although most such errors prove to be harmless. It should be reviewed and hidden, unless it shows an issue that should be addressed.

Please contact us for help resolving your error messages.