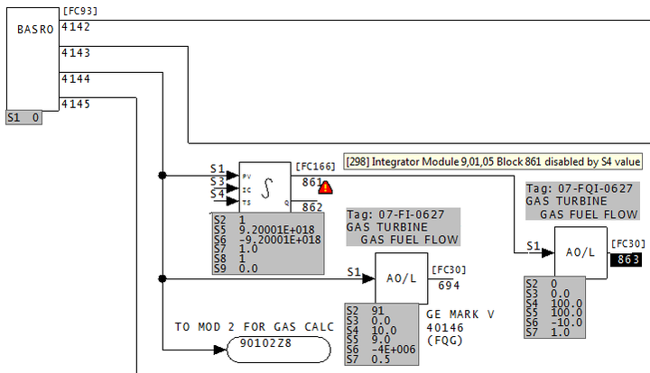
Module 1,01,02 Block 1001 integrator disabled by S4 value
This INTEG: Integrator [FC166] block has a value of zero for S4, so it will never output anything but the preprogrammed initial value on S3.
An integrator block with S4 unwired gets the default value 0 applied to that specification. This means that the output is the value of what is wired to S3, and it does not integrate. If the integrator is intended to function, a constant [1] (or a Boolean signal) must be wired to S4.
This message is likely to show an error in the system configuration. It should be reviewed. The issue raised may be in unused logic or graphics, or have other realities that make it a non-issue.
Please contact us for help resolving your error messages.
DBDOC ©1996 - 2026 G. Michaels Consulting Ltd., all rights reserved. All other trademarks and registered trademarks are the property of their respective holders. Website source largely available under the terms of the AGPLv3.