Adapt block: Spec out of range [ERROR 020]

Adapt block: Spec out of range [ERROR 020]

Adapt block Module 1,01,02 Block 1001 on drawing 1010200A.CAD:  Spec 15 on Module 1,01,02 Block 1002 out of range (FC 25)

This message means that an adapt block has a spec out of range.

On-site testing confirmed that an adapt block continues to adapt its target block / spec, even if it has no input. Since block types cannot be changed, the unintentionally adapted spec is legal, but not likely correct.

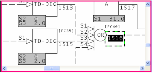
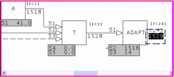
Adapt block Module 4,50,02 Block 1529 on drawing 45002P3: 
Spec 14 on block 1516 out of range, (function code 40).

Click on the link in the error browser to bring up the CLD/CAD sheet where we have an adapt block issue.

No tool error reports 10.png

Double click on the hotspot hiding under Spec 2.

No tool error reports 11.png

Zoom out and see the MSDVDR block - it is Block 1561.

No tool error reports 12.png

This was an unusual case – DCS Dyslexia.

Many clients have made the most common adapt block error:

Logic containing an adapt block is cloned. The block numbers in the new logic are correctly modified, but spec 2 is missed. This means that it adapts the original.

Resolving the error involves exactly the same steps:

  1. Find the adapt block.
  2. Find the adapted block (the target)
  3. Look on the page of the adapt block for what is probably the intended target.

There are other scenarios – block number errors, changed logic, incorrect values of S3.

This drawing shows more than one, except that it is likely this is actually abandoned logic. Sheet Z9, as the last sheet, is often a boneyard sheet. Here, legal blocks have probably been used badly.

No tool error reports 13.png

This message is likely to show an error in the system configuration. It should be reviewed. The issue raised may be in unused logic or graphics, or have other realities that make it a non-issue.

Please contact us for help resolving your error messages.